聯系方式
021-6992-5088
19121986111@163.com
177-6510-7111
上海市松江區
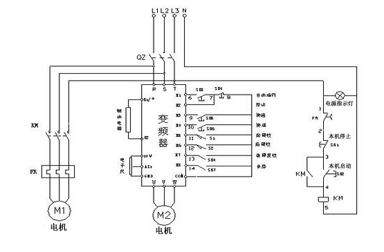
三相變頻電機接線圖及詳細講解
文/ 發布于2020-12-14 瀏覽次數:16768
三相變頻電機接線其實就是通過變頻器接到電機上,還要將另一個電源接到變頻電機上,三相變頻電機變頻調速低的時候風機的風量還是不變的,但很多人還是不懂這個原理和操作,下面將給大家帶來三相變頻電機接線圖及詳細講解。
三相變頻電機接線圖(1)
1、圖中(1)三相變頻電機采用的是交流調速方式,這種方式可以使機械的自動化和生產率大大提高,尤其是可以為小型設備的生產率提高帶來很大的優勢。
2、因為電源有一些特殊性,三相變頻電機對高速運ac、或者是低速運轉都有嚴格的要求,而轉速動態響應的需求對電動機帶來了各方面的難度。
3、三相變頻電機是按照交流電機的原理在工作,所以電動機的旋轉速度是取決于控制器設定的頻率。
4、三相變頻電機可以直接驅動散熱器的,所以不管電機的轉速有多慢,都是可以散熱的。
三相變頻電機接線圖(2)
1、三相變頻電機直接接線的情況下,適合用導線分別連接到三端接線處,而且還注意按照順序連接,否則有可能導致電機反轉。
2、三相變頻電機在產生旋轉磁場時,就會在轉子中感應電流,這時轉速會低于同步速,將于同步速方向一致旋轉。
3、變頻器的驅動電路主要喲兩部分組成,簡化了變頻電機的控制功能,同時也簡化了電路的結構。
4、變頻器的運行按照需求的不同,控制的方式也會不一樣,每一個品牌都要仔細的對待,在電的輸入中,通過變頻器就能得知是正轉還是反轉。
以上是對三相變頻電機接線圖及詳細講解,三相變頻電機的接線在變頻器上接完后,就可以看得到頻率多少,然后輸出電流,電機就開始運轉了,
三相變頻電機接線相對來說不是很難,看圖和講解也可以自己接線的,當然最好是在專業人士的幫助下一起操作會更好。


